Beschreibung
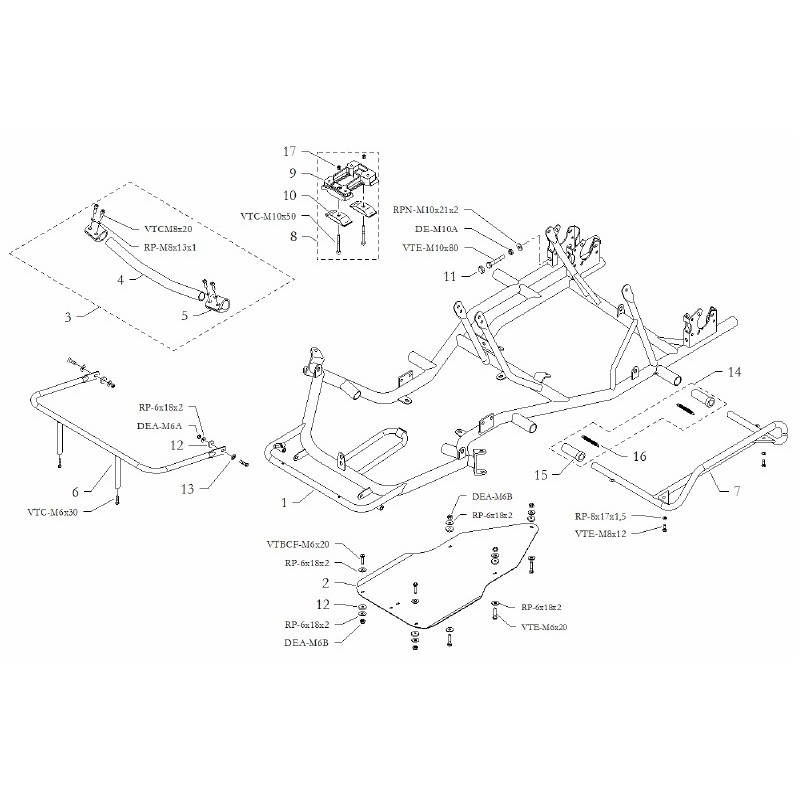
Zusammen Platte Motor B25 BirelArt
Detail n ° 3 der beigefügten Abbildung
Artikeldetails
Kommentare
Kunden, die diesen Artikel gekauft haben, kauften auch ...
Angesehene Artikel
11 andere Artikel in der gleichen Kategorie:
Tolle Verfügbarkeit !!
2,33 €
Tolle Verfügbarkeit !!
40,94 €
