Beschreibung
komplette Überholung Kit für HL-396A (Easykart 60cc)
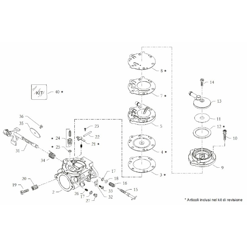
Detail n ° 40 der beigefügten Figur (Explosions Vergaser)
Artikeldetails
Kommentare
Kunden, die diesen Artikel gekauft haben, kauften auch ...
Angesehene Artikel
15 andere Artikel in der gleichen Kategorie:
Tolle Verfügbarkeit !!
32,78 €
