Waschmaschine innere Kupplungs Pinion (Power) Iame
Lies das 4 Bewertungen
1,8 mm Höhe H
Beschreibung
Waschmaschine mit einer Höhe von 1,8 mm, die an den folgenden Orten auf verschiedene Motoren montiert:
Detail 358 des zweiten Bildes befestigt (Kupplung X30 125er TAG / 175cc Super-X30 - S125)
Detail 116 des dritten Bildes angehängt (Kupplungs Mini Swift 60cc)
Besondere 358 des vierten Bildes angehängt (Kupplungsreedster KF)
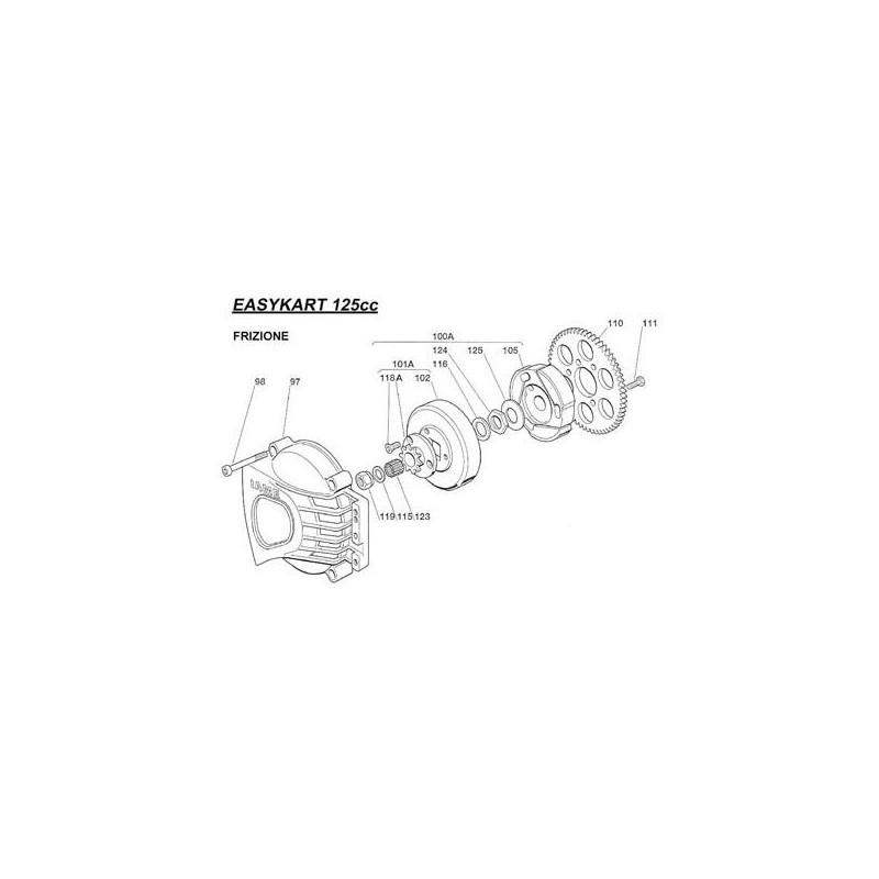
Besondere 116 des fünften Bild angehängt (Kupplungseasykart - Leopard IAME 125er TAG)
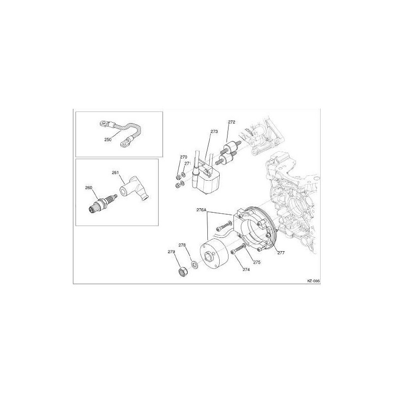
Detail 278 des sechsten Bildes angehängt (gezündeten Motor Iame Screamer 1 und Iame Screamer 2)
Wird in KZ Motoren für Rotormutter Schließen
Detail 70 des siebten angehängte Bildes (Grundmotor Iame Screamer Screamer Iame 1 und 2)
Besonderes von 68 ‚achtes Bild (Iame OK und OKJ 125)
Besondere 79 des neunten Bild (Basis Reedster IAME KF 125cc)
Artikeldetails
Kommentare
Verifiziert
Verifiziert
Verifiziert
Verifiziert
