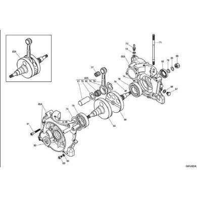
Kurbelgehäuse Easy 125cc
Base & amp; Kurbelwelle Easykart 125
Komplette Kurbelwelle für Easykart 125er p>
696,71 €
Biella Naked for Iame Easykart - Leopard 125
286,84 €
Biella Complete for Iame Easykart - Leopard 125cc
327,86 €
213,00 €
Ignition side
239,99 €
3,27 €
18 x 24 x 15 mm Käfig für Kurbelwelle
22,94 €
Kurbelzapfen 18x47 mm
12,70 €
Gabbietta Stabfuß
Super Rabatt!
18,14 €
19,09 €
-5%
Seal 20 x 35 x 7
6,73 €
8mm x 153mm
6,55 €
Schlüsselspezifikation IAME Motoren
1,43 €
Key Schwungrad / Ritzel
1,35 €
Mutter M 10 x 1
0,81 €
Conrod Iame Easykart - 125 Leopard (letzter Typ)
199,99 €
11,47 €
für Kurbelzapfen 20 mm
24,58 €
