Lager 6203 C4 FG
Lesen Sie die Rezension
Durchschnittliche Bewertung:
10/10
7,79 €
IFB-20501
Lager 6203 C4
Beschreibung
Lager 6203 C4 von
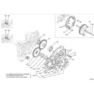
MOUNTING BEISPIEL: Detail 132 des zweiten angebrachte Bildes (Leg Iame Motor OK und OKJ 125)
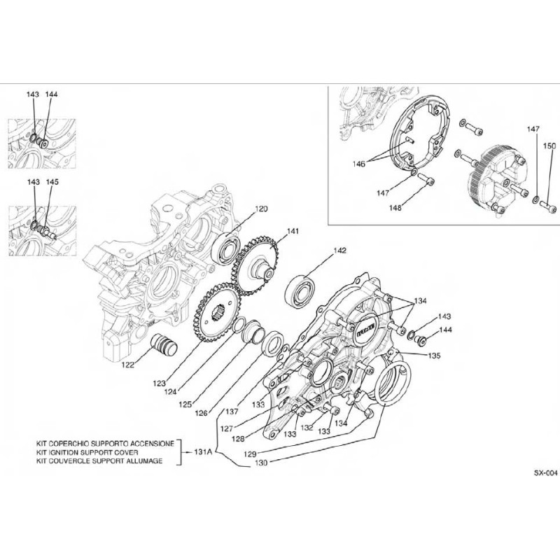
Detail 120 des dritten Bildes angehängt (SuperX30 - S125)
Artikeldetails
IFB-20501
109 Artikel
Besondere Bestellnummern
| ean13 | 3201 |
|---|---|
| mpn | 1 |
Kommentare
Verifiziert
10
10
Eduardo Jose m.
24/10/2020
