Getriebe Nebenwelle IAME Super-X30
191,01 €
TFC-80802
Getriebevorgelege IAME X30 Super- p>
Beschreibung
Getriebevorgelege IAME X30 Super- p>
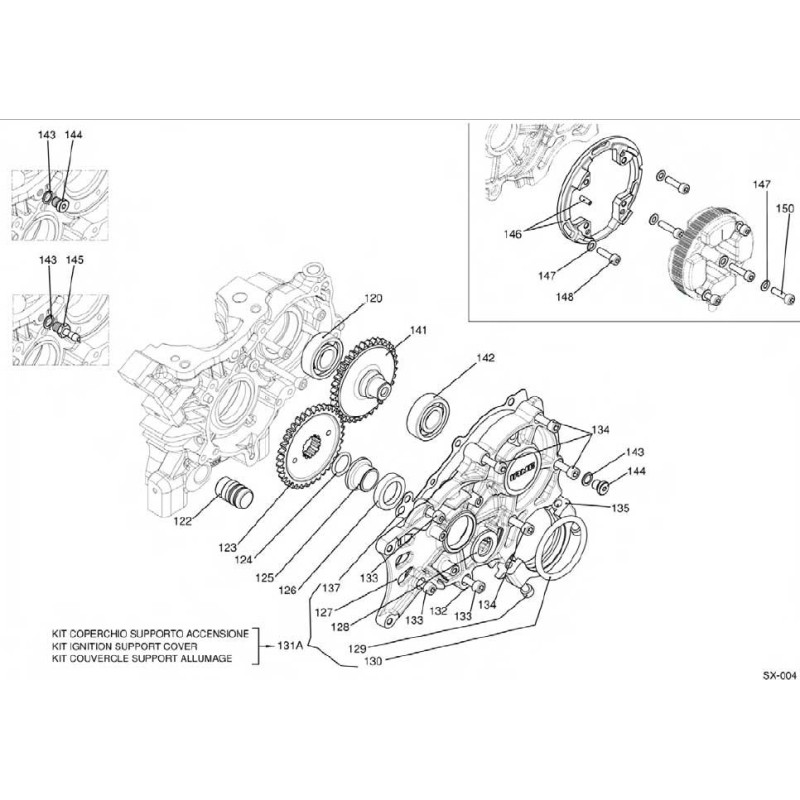
Detail 141 der zweiten angehängte Bild (Iame Super-X30 175cc TAG) p>
