Gleitlager 40X44X20 Rotax DD2
Lesen Sie die Rezension
Durchschnittliche Bewertung:
10/10
9,99 €
701 426 233120
Gleitlager 40X44X20 Rotax DD2 p>
Beschreibung
Gleitlager 40 X 44 X 20 Rotax DD2 p>
Teil Nummer 9 der zweiten Bild angehängt (Rotax DD2) p>
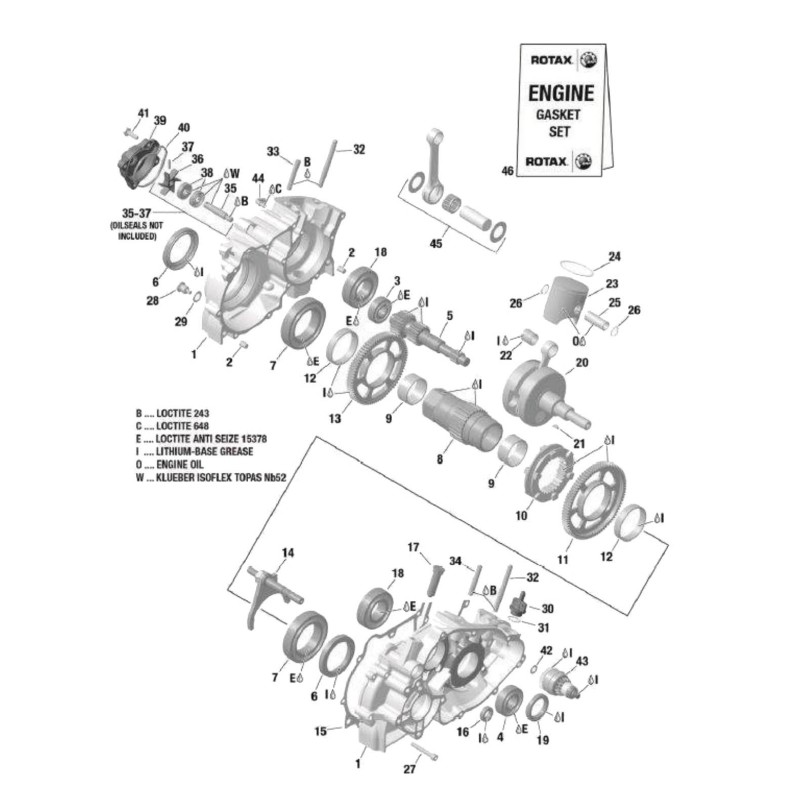
Teil Nummer 2 des dritten Bildes angehängt (Rotax DD2) p>
Artikeldetails
701 426 233120
90 Artikel
Besondere Bestellnummern
| ean13 | 9008 |
|---|
Kommentare
Verifiziert
10
ok.
Good
Edgar C.
27/04/2023
Kunden, die diesen Artikel gekauft haben, kauften auch ...
Angesehene Artikel
Tolle Verfügbarkeit !!
99,99 €
124,99 €
-20%
