Kolbenbolzenlager 15x19x20 Rotax
Lies das 2 Bewertungen
Durchschnittliche Bewertung:
10/10
17,30 €
701 295 932027
Kolben Cage Roller 15x19x20 Rotax
Beschreibung
Kolben Cage Roller 15x19x20 Rotax p>
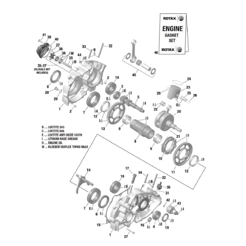
Detail n ° 22 der beigefügten Abbildung (DD2)
Artikeldetails
701 295 932027
1226 Artikel
Besondere Bestellnummern
| upc | 9910100 |
|---|---|
| ean13 | 9020 |
Kommentare
Verifiziert
bien
justo los que se necesitaba
GUSTAVO S.
08/12/2025
Verifiziert
Great value
According with expectations
Cesar G.
26/03/2024
