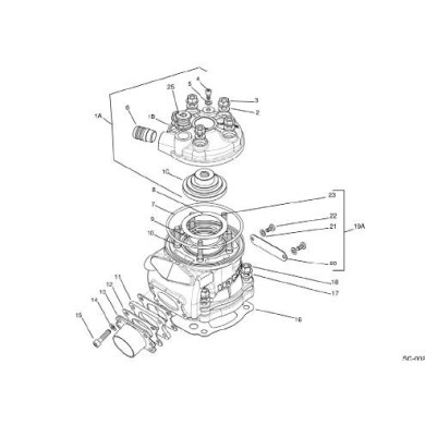
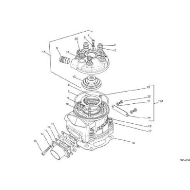
Cylinder & Head Screamer
Head, Cylinder & Seals ...
Head with integrated dome
Head Dome
Racing RC flat crown pistons
water pipe fitting
or external head gasket
Copper washer
Head gasket O-ring inside
Spacer exhaust
Drain connection
Cylinder basement gasket
cylinder ramp Nut
Plug Cylinder Head
Specific M8 nut for the cylinder
Short Spark plug Iridium / Platinum R-7282
cap for spark plugs type R7282
Cap for most of the spark plugs
For all little ceramic spark plugs!
Short Spark Plug D 10 IR - long plug version
cylinder rod Oring
Prisoner M8x51
Head Nut M8 (Key 13) flanged Iame
Protection Cap Spark Plug Thread OK OKJ KZ
Nut BLACK Cylinder (8mm 12mm)
Cap for all Spark Plugs Short like NGK R7282 o BRISK
Same thermal gradiation as NGK B10EG
Same thermal gradiation as NGK B9EG
Original
Clamp for water pipes
