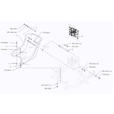
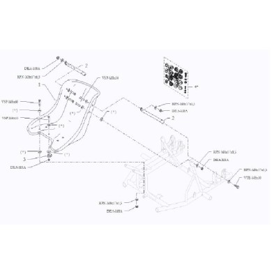
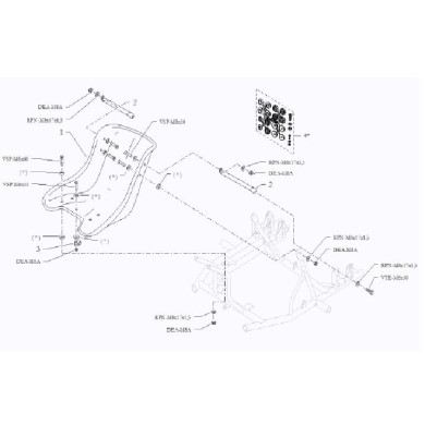
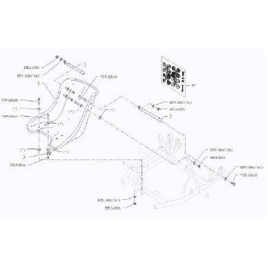
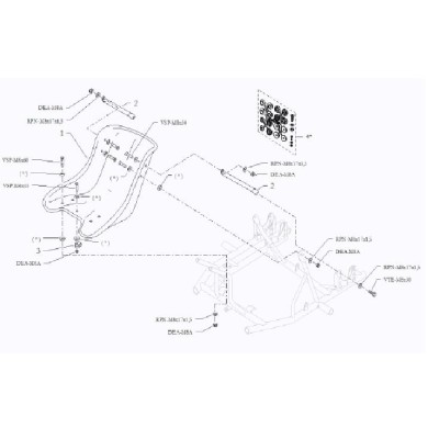
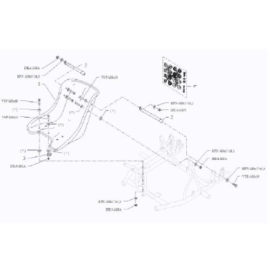
Asientos Easykart 100cc
Asientos y partes ...
Asiento SILVER BirelArt Freeline
99,99 €
Asiento Birel
Protección Lateral Asiento Kit - Freeline
24,58 €
DISPOIBILE SOLAMENTE EN EL NUEVO NEGRO
10,95 €
Asiento Holder 300mm p>
7,94 €
Asiento Holder 320mm p>
7,94 €
Asiento Holder 280mm
7,94 €
Asiento Holder 260mm
7,94 €
Asiento Holder 240mm
7,94 €
Asiento Holder 220mm p>
7,94 €
Kit Espaciadores Oscilantes para Asiento Kart
18,79 €
soporte del asiento regulable de forma rápida!
