Reten 10x26x7 (bomba de agua)
3,16 €
10.8850.00
Aceite sello 10x26x7
¡¡Gran Disponibilidad!!
Descripción
Aceite sello 10x26x7
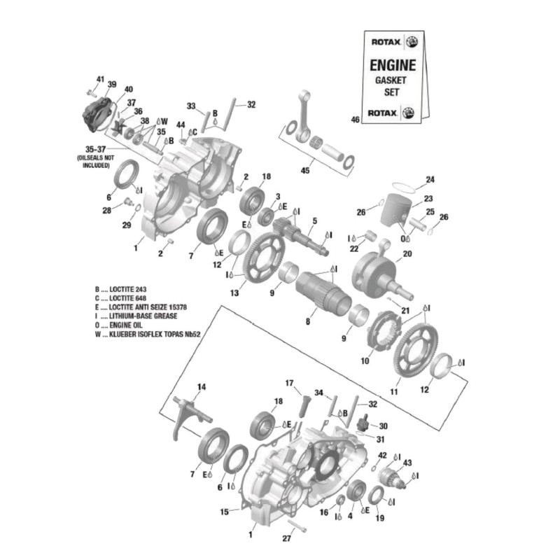
Se utiliza, entre otras cosas, en las bombas de agua externos en los motores de Freeline BirelArt y Rotax de plástico (bomba de agua interna del cárter)
particular, por ejemplo, el número 12 de la segunda imagen adjunta (Motores Rotax)
particular, por ejemplo, el número 38 de la tercera imagen adjunta (motores Rotax DD2)
Detalles del producto
Comentarios
Los clientes que adquirieron este producto también compraron:
Productos más vistos
¡¡Gran Disponibilidad!!
59,99 €
¡¡Gran Disponibilidad!!
16,39 €
¡¡Gran Disponibilidad!!
147,53 €
210,76 €
-30%
