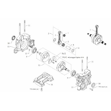
Cigüeñal y Carter EKA 125cc
y el motor del árbol de cárter
panel de acoplamiento 20 x 47 mm BMB Easykart p>
Jaula 20mm ejes
Quinta rueda de estrella 20 mm
El árbol motor completo EKA
Junto motor 125cc Biella EKA
Biella 125cc desnudo EKA
Pareja semiejes EKA
acoplamiento eje 18x47
18 x 24 x 15 mm jaula para cigüeñal
plata vástago de empuje arandela 18x35x1 p>
Needle 14x18x17,5 rodillo
aguja rodillo 14x18x20 jaula
cigüeñal Relleno p>
Rodamiento 6205 25x52x15 C4 FG
Seal FPJ 25X40X7 GS ARS C2
cilindro prisionero M8x150 p>
Bush 7x10x11
Vida avellanada TORX M5X10
Bancada Motor Forada Inclinada BirelArt EASYKART
eje del engranaje de equilibrio
contraeje EKA
Teniendo 6202 TN9 C4 15x35x11
O-ring 20x1,5 NBR
retén del engranaje buje
engranaje de tuerca contraeje
cárter junta contraeje p>
Carter contraeje BMB Easykart 100 125 EKJ EKA p>
Depresión Conexión p>
tanque de recuperación p>
Sello de aceite 26x35x7 doble labio
Arandela de cobre 6x10x1,5
Todavía eje secundario Easykart BMB p>
Montaje Bush retén del cigüeñal p>
