Arandela Interna Embrague Iame
Ver las 4 opiniones
1,8 mm Altura H
Descripción
Lavadora con una altura de 1,8 mm que se monta en diferentes motores en los lugares siguientes:
Detalle 358 de la segunda imagen adjunta (embrague X30 TAG 125cc / 175cc de Super X30 - S125)
Especial 116 de la tercera imagen (embrague Mini Swift 60cc)
Especial 358 de la cuarta imagen adjunta (embrague Reedster KF)
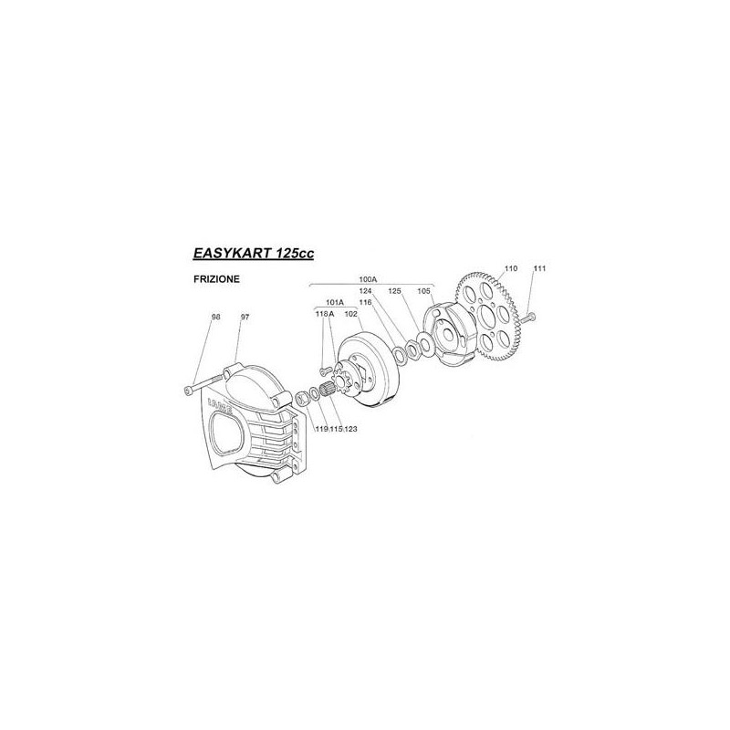
Especial 116 de la quinta imagen adjunta (embrague Easykart - IAME Leopard 125cc TAG)
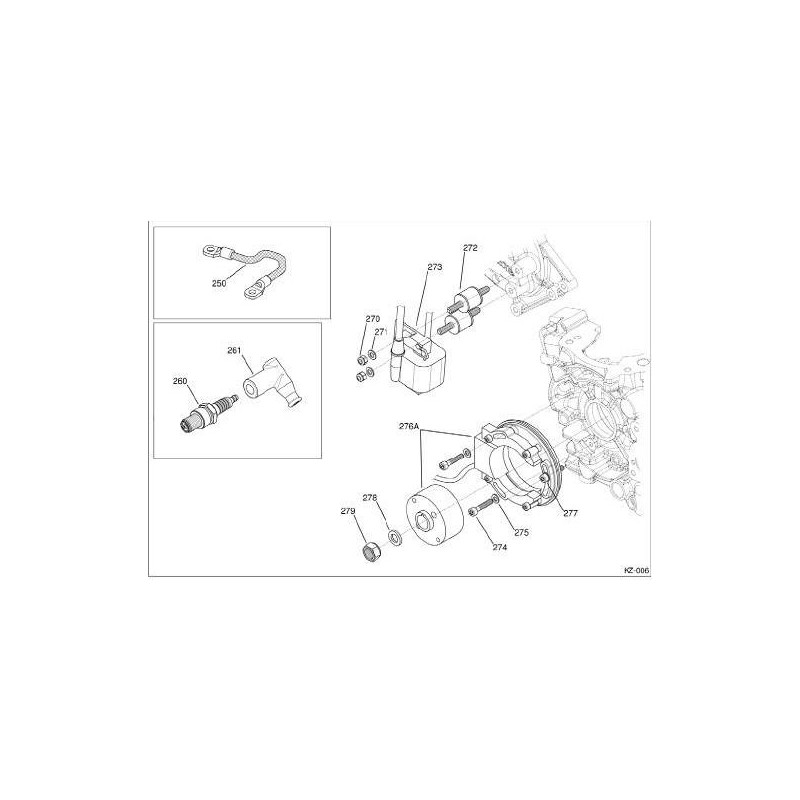
Detalle 278 de la sexta imagen adjunta (de encendido del motor Iame Screamer 1 y Iame Screamer 2)
utilizados en los motores KZ para el cierre de tuerca del rotor
Detalle 70 de la séptima imagen adjunta (Base Engine Iame Screamer 1 y Iame Screamer 2)
Particular 79 de la novena imagen (base Reedster IAME KF 125cc)
Detalles del producto
Comentarios
Verificado
Verificado
Verificado
Verificado
