Rodamiento Koyo 6206 C4 (poliamida)
Ver las 5 opiniones
Valoración media:
9.8/10
7,99 €
W300/ROK
Teniendo 6206 C4
Descripción
Teniendo 6206 C4 con jaula de poliamida p>
Se utiliza como un cojinete de cigüeñal para motores diferentes, tales como: p>
Vortex Rok y RokGP p>
IAME X30 p>
Rotax Mini p>
Rotax Micro Max p>
Rotax junior p>
Rotax máximo mayor p>
Rotax DD2 p>
p>
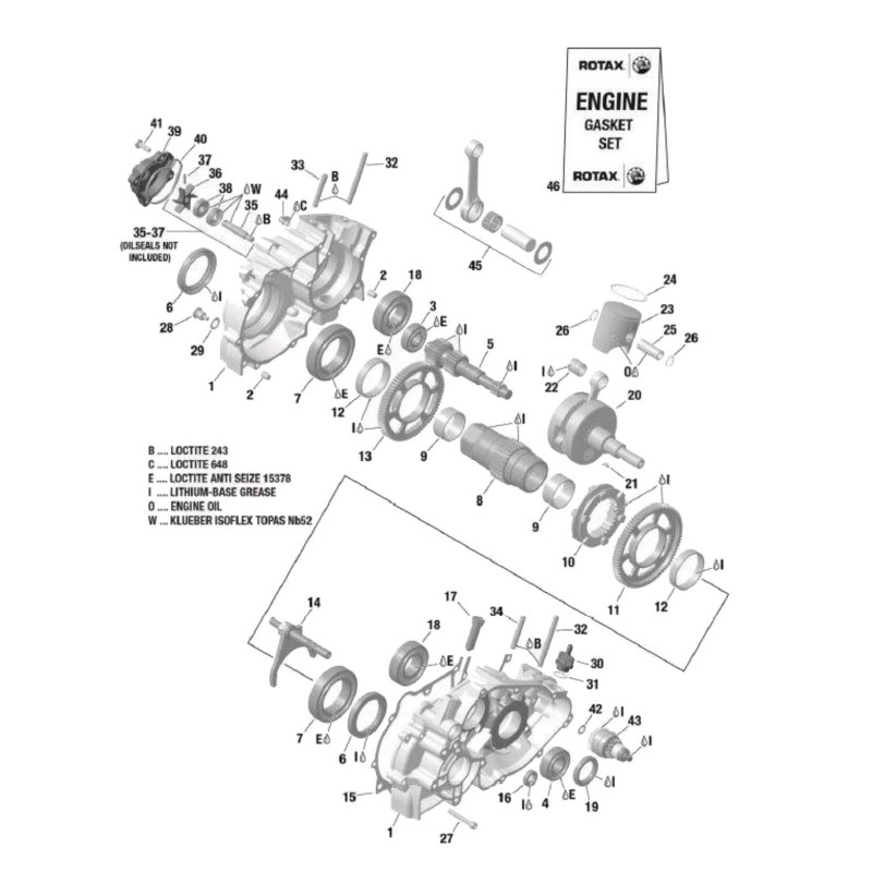
particular, por ejemplo, el número 6 en la figura anexa (Rotax) o n ° 18 adjunta en la tercera imagen (DD2)
Detalles del producto
Comentarios
Verificado
bien
rodamientos presisos
GUSTAVO S.
08/12/2025
Verificado
Rolamento cambota
Tudo ok
André R.
13/02/2025
Verificado
Gp motors
Bene
Giulio P.
17/10/2023
Verificado
Ottimo prodotto
Prodotto arrivato tramite corriere in ottime condizioni, esattamente conforme a ci? che ho ordinato. Prezzo veramente basso per il prodotto (se lo si cerca su internet in coppia di 2 viene venduto a circa 30??)
Alessandro G.
12/04/2022
Verificado
ok
ok
Fabien B.
31/01/2022
