Description
Bouton de plaque de verrouillage du moteur BirelArt
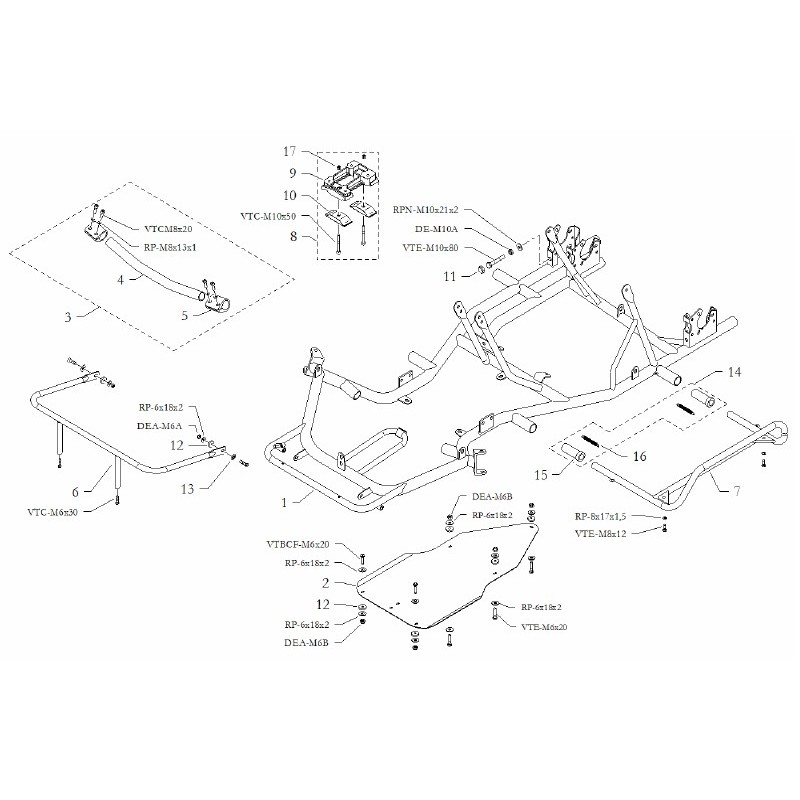
Détail n ° 8 de la figure ci-jointe
Détails du produit
Commentaires
Les clients qui ont acheté ce produit ont également acheté :
Déjà vus
16 autres produits dans la même catégorie :
En Rupture de Stock, achetez maintenant !!
58,49 €
73,11 €
-20%
