Rondelle Belleville Equilibrage Iame KF

1,57 €
Nous expédions 95% des commandes reçues le jour même !!
IFC-80400

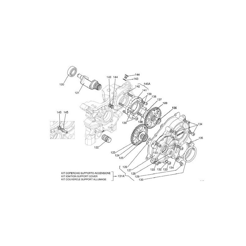
Coupe engrenages arbre côté ressort Iame KF

22 Pièces en stock
Disponible! Livraison Rapide!
Grande Disponibilité !!
Ajouter à la liste de souhaits

Description

Coupe engrenages arbre côté ressort Iame KF

Détail 137 de la seconde image jointe (Iame KF)

Détails du produit

Iame
IFC-80400
22 Produits

Références spécifiques

ean134464

Commentaires

Pièces de rechange
Acheter par marque
Garage
Autre

Connexion

MENU

Votre panier

Il n'y a plus d'articles dans votre panier