Roulement 6202 C4 TN9 SKF
Lire les 3 avis
Note moyenne :
10/10
5,70 €
IMB-20100
Roulement 6202 T1XC4
Description
Roulement 6202 T1XC4
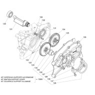
Détail 120 de la seconde image jointe (X30 TAG 125cc - S125)
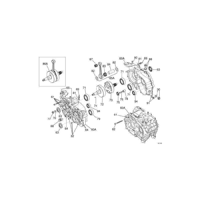
Détail 94 de la troisième image jointe (versions KZ Screamer 1-2-3)
Détails du produit
Commentaires
Vérifié
Really nice
everything good
Isidro N.
01/08/2022
Vérifié
C4
Ottimo cuscinetto per motore X30
Renato m.
10/06/2022
Vérifié
Ottimo!!
Spedizione velocissima
Mattia R.
11/06/2021
