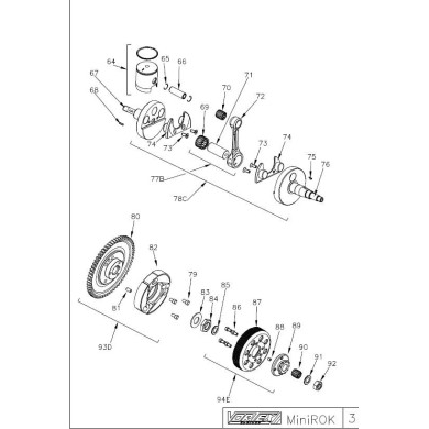
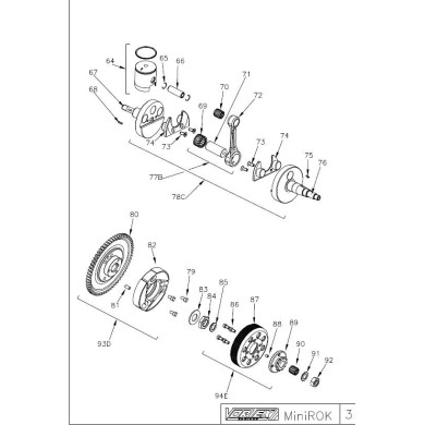
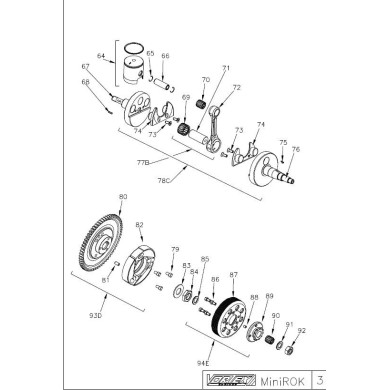
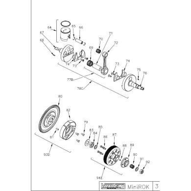
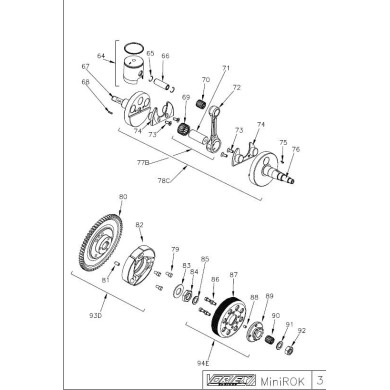
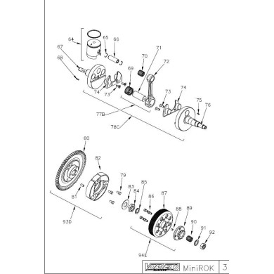
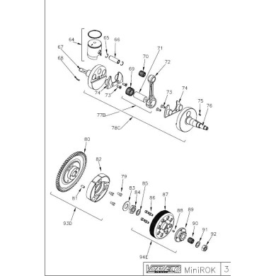
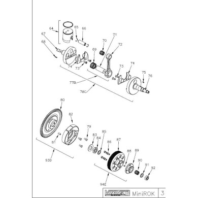
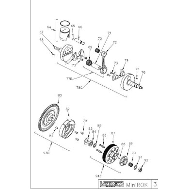
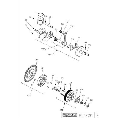
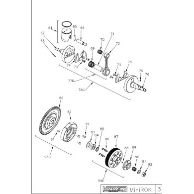
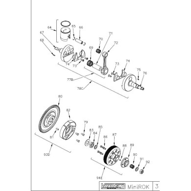
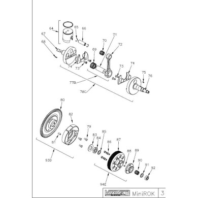
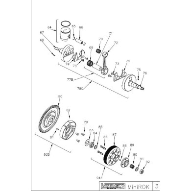
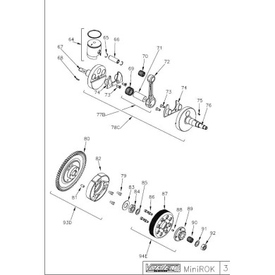
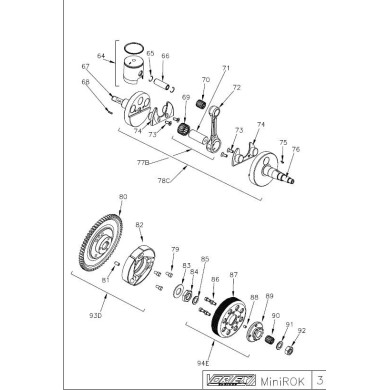
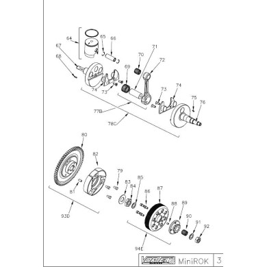
Piston, Bielle, Embrayage Minirok
Vilebrequin, bielle, le piston et l'embrayage d'minirok
Pour tous les moteurs de 60cc
Gamme complète de piston
10, 11 ou 12 dents
9 - 10 dents
10, 11 ou 12 dents!
Seeger piston
Axe de piston minirok p>
Starter Couronne Mrok
Haut Qualitè Embrayage
Plus de performance
Bell embrayage nu
Cloison 73x27 Cloche Calotte Embrayage Minirok 60cc Vortex
avec bielle et vilebrequin
allumage latérale demi-arbre
lecteur de 60cc côté pignon d'arbre
Starter Couronne Mrok
Rotor d'embrayage pour tout le moteurs Vortex
Pour minirok
Démarrage à clé minirok
Pour la bielle, IKO
Pour axe de piston
couplage axe 18mm
Bielle nue compatible – Minirok 60cc Vortex
Biella nue d'origine
pension complète Biella et cage
bouchon cylindrique
embrayage de verrouillage
pour pignon minirok, SVR, TT
Embrayage de poussée 10,1x18,8x2 d
Minirok - SVR - TT verrouillage du pignon d'écrou
Couvercle d'embrayage minirok 60cc Vortex DDS DDJ
Latérale d'allumage Stick 3 x 3,7 x 10 Vortex
Arbre Vortex
Diamètre choix segment
Fermo pignon 5 x 5 mm
rondelle épaisse 19,5x12,1x1,8
Vis à tête hexagonale
Couple Bouchon pour axes piston 60cc
Pour embrayages avec filetage 38 mm
Révision Starter Kit
