Cavallotto Acciaio Universale Freeline
Visualizza le 3 opinioni
Valutazione media:
10/10
12,99 €
16,24 €
-20%
20.9206.06-ZN
Cavallotto per tutti i telai!
Descrizione
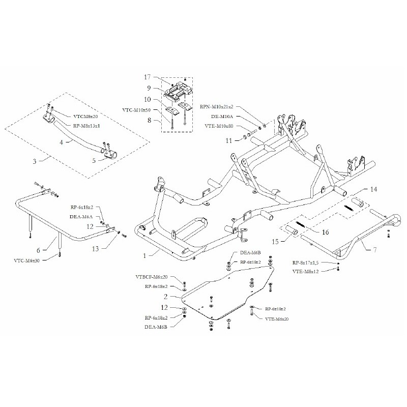
Cavallotto (numero 10 dell'immagine allegata) universale.
Grazie alla svasatura degli spigoli, questo cavallotto motore è universale per tutte le piastre motore con foro ancoraggio centrale e qualsiasi diametro e interasse dei tubi!
Materiale acciaio, non si deforma, ne deforma il tubo del telaio, durante il montaggio.
Completa scomparsa al di sotto dei tubi.
Dettagli del prodotto
Commenti
Verificata
Na
Excellent
Virgil G.
18/01/2026
Verificata
great
like this one
Bengt A.
02/05/2024
Verificata
ok
ottimo
Massimo r.
31/10/2023
