Cuscinetto 6203 C4 FG
Visualizza opinione
Valutazione media:
10/10
7,79 €
IFB-20501
Cuscinetto 6203 C4
Descrizione
Cuscinetto 6203 C4 di banco
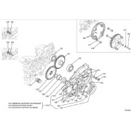
ESEMPIO DI MONTAGGIO: Particolare 132 della seconda immagine allegata (Contralbero motore Iame OK e OKJ 125)
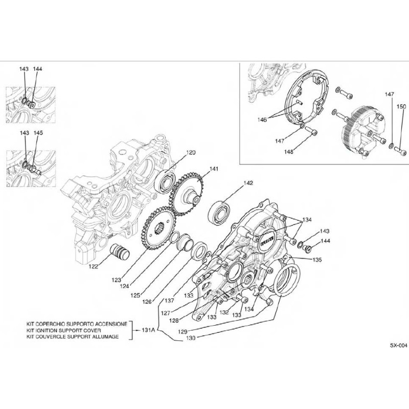
Particolare 120 della terza immagine allegata (SuperX30 - S125)
Dettagli del prodotto
IFB-20501
109 Articoli
Riferimenti Specifici
| ean13 | 3201 |
|---|---|
| mpn | 1 |
Commenti
Verificata
10
10
Eduardo Jose m.
24/10/2020
