Descrizione
Bobina - Centralina per motori Iame X30 modello prodotto a partire dal 2016
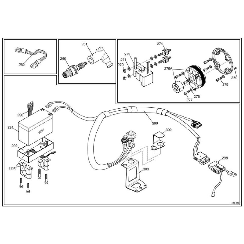
Particolare 273 della seconda immagine allegata (Iame X30 125cc TAG)
Questa bobina monta con i seguenti componenti (acquistabili separatamente):
- ACCENSIONE SELETTRA 2016 cod. X30125953
- CABLAGGIO COMPLETO DI PULSANTIERA 2016 cod. IFE-05003A (con pulsanti)
