Descrizione
Guarnizione testa oring interno
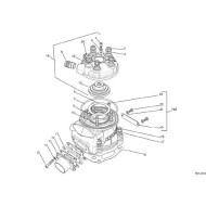
Particolare 9 della seconda immagine allegata (Screamer)
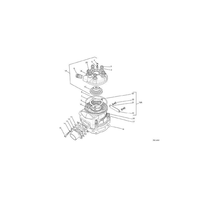
Particolare 10 della terza immagine allegata (Screamer 2-3)
Particolare 8 della quarta immagine allegata ( KF OK OKJ )
Dettagli del prodotto
Commenti
I clienti che hanno acquistato questo prodotto hanno comprato anche:
In Esaurimento, Compra ora !!
32,75 €
In Esaurimento, Compra ora !!
32,75 €
