Descrizione
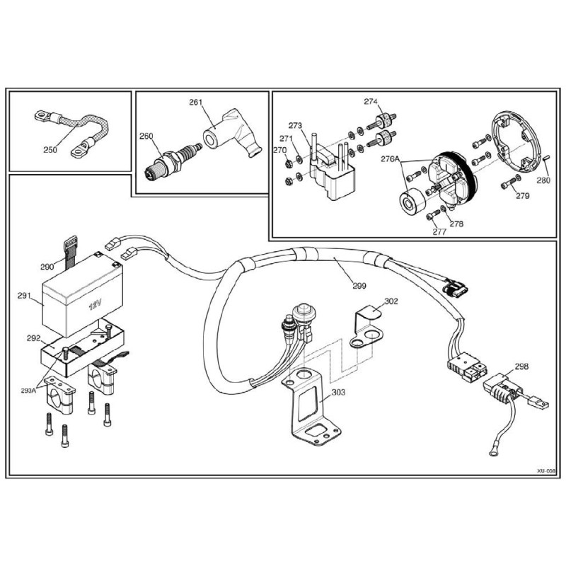
Bobina / Centralina Digitale X30 Shifter - Ver. Z1
Particolare 273 della seconda immagine allegata (Iame X30 125cc TAG)
Questa bobina monta con i seguenti componenti (acquistabili separatamente):
- ACCENSIONE SELETTRA 2016 cod. X30125953
- CABLAGGIO COMPLETO DI PULSANTIERA 2016 cod. IFE-05003A (con pulsanti)
Dettagli del prodotto
Commenti
I clienti che hanno acquistato questo prodotto hanno comprato anche:
Prodotti visti
16 altri prodotti della stessa categoria:
Grande Disponibilità !!
97,86 €
Grande Disponibilità !!
73,73 €
