Descrizione
Gabbia a Rulli 52 x 57 x 12 Rotax DD2 spezzata
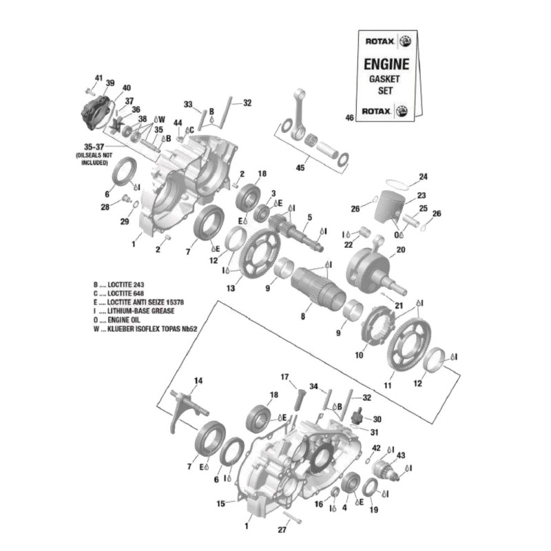
Particolare numero 12 della seconda immagine allegata (Rotax DD2)
Dettagli del prodotto
701 522 632666
15 Articoli
Riferimenti Specifici
| ean13 | 9011 |
|---|
Commenti
I clienti che hanno acquistato questo prodotto hanno comprato anche:
Prodotti visti
Grande Disponibilità !!
23,76 €
Ultimi Pezzi !!
24,49 €
27,21 €
-10%
Magazzino in Diminuzione !!
143,99 €
179,99 €
-20%
