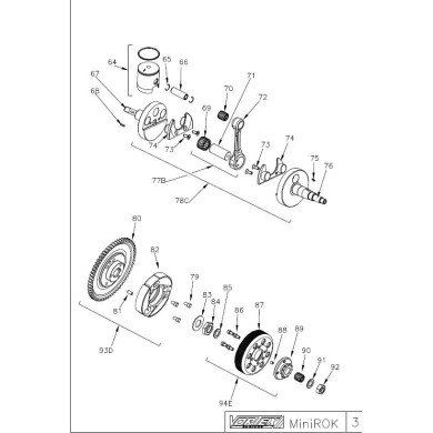
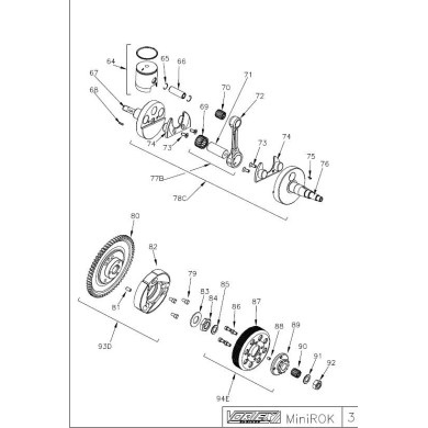
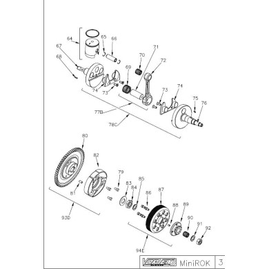
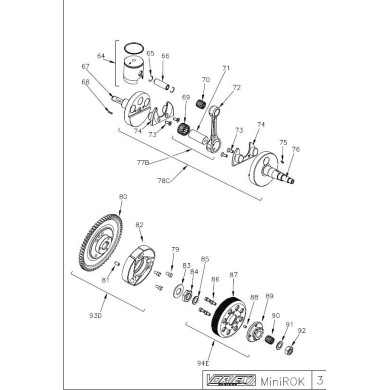
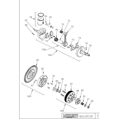
Pistoni, Biella, Frizione MR
Pistoni, Albero Motore, Biella e Frizione
Per tutti i motori 60cc
Pistone completo di fascia
10, 11 o 12 denti
10, 11 o 12 denti!
9 - 10 Denti
Seeger pistone
Spinotto pistone minirok
Corona avviamento MiniROK
Rotore Frizione di alta qualitÃ
Più prestazionale
Campana frizione nuda
Paratia 73x27 Campana Frizione Minirok 60cc Vortex
Coperchio frizione Minirok 60cc Vortex DDS DDJ
completo di biella e imbiellaggio
Semialbero lato accensione
Semialbero 60cc lato pignone
Corona avviamento MROK
Rotore frizione per tutti i motori Vortex
Gabbia per piede di biella
per spinotto pistone
Asse accoppiamento 18mm
Biella nuda COMPATIBILE - Minirok 60cc Vortex
Biella nuda originale
Biella completa di asse e gabbia
Spina cilindrica
per bloccaggio frizione
gabbia compatibile con pignone minirok, SVR, TT
Ralla frizione d 10,1x18,8x2
Dado bloccaggio pignone Minirok - SVR - TT
Chiavetta lato accensione 3 x 3.7 x 10 Vortex
Contralbero Vortex
Segmento diametro a scelta
Chiavetta accensione minirok
Fermo pignone 5 x 5 mm
