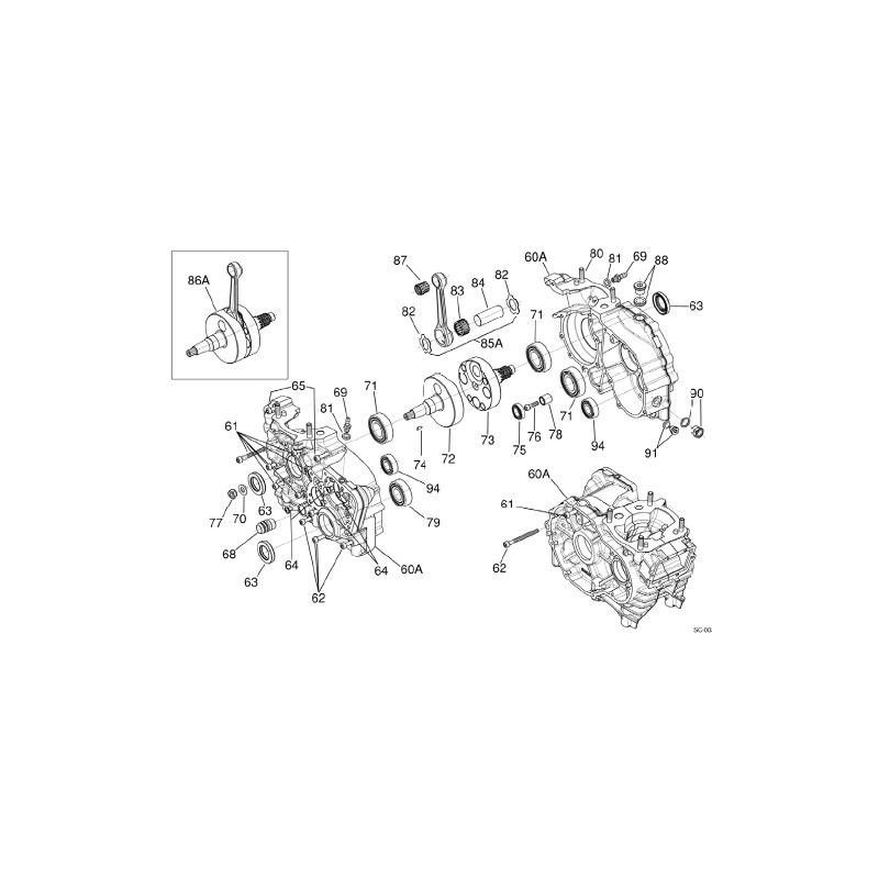
Komplette Pleuel 110mm 48.8mm
Lesen Sie die Rezension
Durchschnittliche Bewertung:
10/10
114,75 €
Anstatt 124,74 €
Wir versenden 95 % der eingegangenen Bestellungen noch am selben Tag!!
biellamk110cpl
Mit Scheiben, Kurbelzapfen und Käfig
Beschreibung
Voll KZ 110mm conrod Iame Screamer Maxter KZ und voller Büsche und die Käfigachse (fig.n.85A)
NICHT DAS ORIGINAL ROD, sondern eine Pleuelstange von Racing Mondokart viel leichter und leistungsfähiger zu 100% kompatibel mit allen Iame Screamer KZ Motoren und Maxter KZ erzeugt
Artikeldetails
Kommentare
Verifiziert
Michel.menthon@gmail.com
Bonjour je voudrai savoir la fiabilit? du qui bielle mondo pour un maxter et un qui bielle origine maxter merci
Michel m.
01/07/2022
