Lager 6202 C4 TN9 SKF
Lies das 3 Bewertungen
Durchschnittliche Bewertung:
10/10
5,70 €
IMB-20100
Lager 6202 T1XC4
Beschreibung
Lager 6202 T1XC4
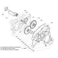
Detail 120 des zweiten angebrachte Bildes (X30 TAG 125cc - S125)
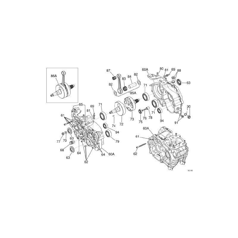
Detail 94 der dritten Bild befestigt (KZ Screamer Versionen 1-2-3)
Artikeldetails
Kommentare
Verifiziert
Really nice
everything good
Isidro N.
01/08/2022
Verifiziert
C4
Ottimo cuscinetto per motore X30
Renato m.
10/06/2022
Verifiziert
Ottimo!!
Spedizione velocissima
Mattia R.
11/06/2021
