Bearing 6203 C4 FG
Read the review
Average rating:
10/10
7.79 €
IFB-20501
Bearing 6203 C4
Description
Bearing 6203 C4 of
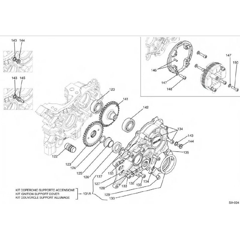
MOUNTING EXAMPLE: Detail 132 of the second attached image (countershaft Iame engine OK and OKJ 125)
Detail 120 of the third image attached (SuperX30 - S125)
Product Details
IFB-20501
109 Items
Specific References
| ean13 | 3201 |
|---|---|
| mpn | 1 |
Comments
Verified
10
10
Eduardo Jose m.
10/24/2020
