Description
Indicator gearbox oil level
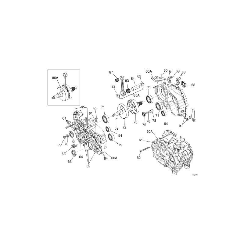
Detail 90 of the second image attached (Iame Screamer 1 and 2-3 125cc)
Detail 144 of the third attached image (Iame OK and OKJ 125cc)
Product Details
Comments
Customers who bought this product also bought:
Viewed products
Great Availability !!
278.59 €
309.55 €
-10%
16 other products in the same category:
Great Availability !!
6.76 €
