Description
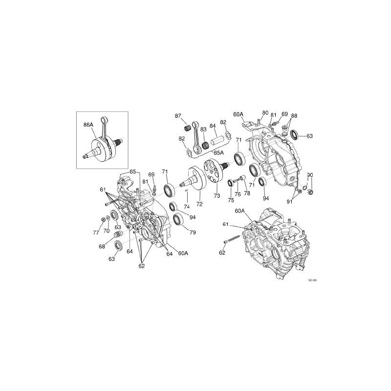
Conrod Roller Cage Head (Below) Rod Iame
Detail 80 of the second image attached (X30 S125 125cc TAG)
Detail 83 of the third attached image (Screamer 1-2-3-4)
Detail 83 of the fourth image attached (Iame OK and OKJ 125)
Detail 83 of the fifth image attached (Iame Reedster KF KFJ 125 - SuperX30)
Product Details
Comments
Customers who bought this product also bought:
Viewed products
16 other products in the same category:
Great Availability !!
6.76 €
