Rodamiento 6203 C4 FG
Ver la opinión
Valoración media:
10/10
7,79 €
IFB-20501
Teniendo 6203 C4
Descripción
Teniendo 6203 banco C4 Ejemplo
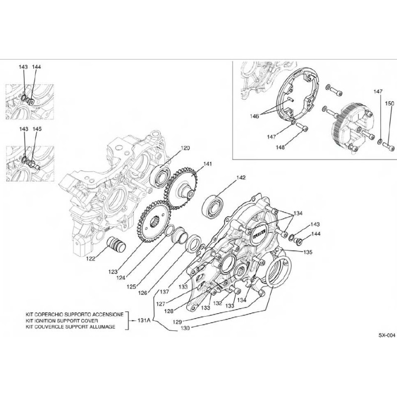
MONTAJE: Detalle 132 de la segunda imagen adjunta (contraeje motor Iame OK y OKJ 125)
Detalle 120 de la tercera imagen adjunta (SuperX30 - S125)
Detalles del producto
IFB-20501
109 Artículos
Referencias específicas
| ean13 | 3201 |
|---|---|
| mpn | 1 |
Comentarios
Verificado
10
10
Eduardo Jose m.
24/10/2020
