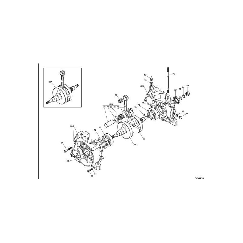
Medio Cigüeñal Lado Embrague Iame X30
268,84 €
X30125385
lado de la transmisión Samialbero X30
¡¡Gran Disponibilidad!!
Descripción
lado de transmisión media-eje X30 125cc
Detalle 65 de la segunda imagen adjunta (Iame X30 TAG 125cc)
