Reten encendido / transmisión 25 x 40 x 7 Iame
Ver las 2 opiniones
Valoración media:
10/10
6,76 €
X30125425A
25x40x7 Teflon
Descripción
cigüeñal anillo de sello de aceite sello para diferentes motores de Iame
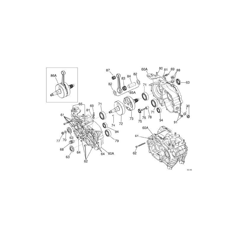
Detalle 62 y 62B de la segunda imagen adjunta (X30 TAG 125cc - S125)
Detalle 63 de la tercera imagen adjunta (Screamer 1-2-3)
Particular 67 de la cuarta imagen (Iame OK y OKJ 125)
Particular 63 de la quinta imagen (IAME KF Reedster 125cc)
Particular 63 de la Sexta imagen (IAME X30 súper)
Detalles del producto
Comentarios
Verificado
Bien
Tarif ok et conforme ? ma commande
Denis M.
21/04/2022
Verificado
6
Ok
Davide F.
16/07/2020
