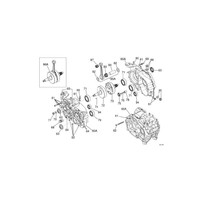
Biela completa distancia entre ejes 110 mm 48,8 completa
Ver la opinión
Valoración media:
10/10
114,75 €
En lugar de 124,74 €
¡¡Enviamos el 95% de los pedidos recibidos el mismo día!!
biellamk110cpl
arandelas de eje completo y jaula
Descripción
KZ completa 110mm Biella para IAME KZ Screamer, completo con cuñas Maxter, jaula y el eje (fig.n.85A)
NO 'LA ROD original, pero una varilla de conexión producida por Racing Mondokart mucho más ligero y de gran alcance 100% compatible con todos los motores Iame Screamer KZ y Maxter KZ
Detalles del producto
Comentarios
Verificado
Michel.menthon@gmail.com
Bonjour je voudrai savoir la fiabilit? du qui bielle mondo pour un maxter et un qui bielle origine maxter merci
Michel m.
01/07/2022
