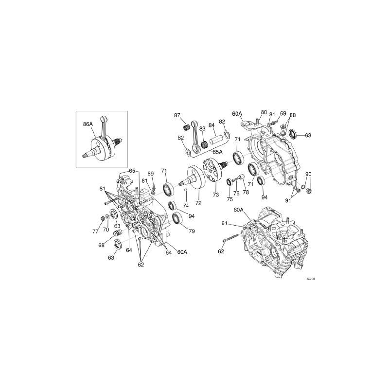
Medio Cigüeñal Lado Encendido Iame Screamer KZ
318,81 €
IZC-30101
Nueva versión
¡¡Se está Acabando, Compra Ahora!!
Descripción
Semialb. l. acc. Screamer screamer IAME KZ (fig.n.72)
