Roulement SKF 6206 C4 (Cage Polyamide) TN9 6206
Lire l'avis
Note moyenne :
10/10
9,79 €
12,24 €
-20%
6206 - X30125396A
Qualité SKF!
Description
Roulement 6206 roulements à billes SKF avec cage de polyamide et de tolérance C4
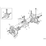
Détail 75 de la seconde image jointe (Iame X30 125cc TAG)
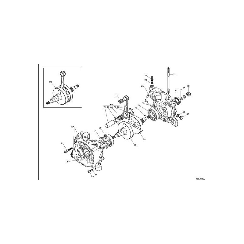
Piece 75 de la troisieme image attachè (Iame Super X30 175cc TAG)
Détails du produit
Commentaires
Vérifié
ottimo cuscinetto
come doveva essere
Marco C.
05/08/2021
