Joint SPI Teflon 25 x 40 x 7 Iame
Lire les 2 avis
Note moyenne :
10/10
6,76 €
X30125425A
25x40x7 Teflon
Description
joint vilebrequin de bague d'étanchéité d'huile pour les différents moteurs Iame
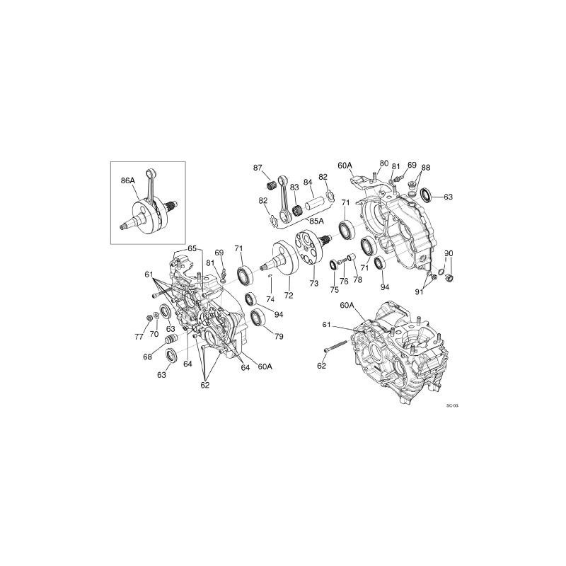
Détail 62 et 62B de la seconde image jointe (X30 125cc TAG - S125)
détail 63 de la troisième image jointe (Screamer 1-2-3)
Détail 67 de la quatrième image jointe (Iame OK et OKJ 125)
Détail 63 de la cinquième image jointe (Iame KF Reedster 125cc)
Détail 63 de la seisieme image jointe (Iame X30 Super)
Détails du produit
Commentaires
Vérifié
Bien
Tarif ok et conforme ? ma commande
Denis M.
21/04/2022
Vérifié
6
Ok
Davide F.
16/07/2020
