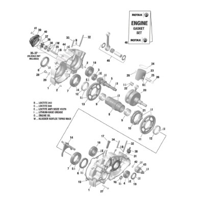
Basamento Rotax DD2
Basamento Rotax DD2
Compatibile con motori Rotax
per assi 20mm
NEW Biella completa Rotax
Coppia carter motore Rotax DD2
Cuscinetto 6203 C3
Cuscinetto 6204 C4 (Marca Koyo)
Ingranaggio Primario 24/19 T Rotax DD2
Paraolio 50x68x8 NBR Rotax DD2
Cuscinetto 6010 C3 Rotax DD2
Albero Forato Rotax DD2
Cuscinetto Liscio 40X44X20 Rotax DD2
Riduttore Cambio Rotax DD2
Ingranaggio Minimo 81 T Rotax DD2
Cuscinetto a Rulli 52x57x12 Rotax DD2
Ingranaggio Minimo 77 T Rotax DD2
Forchetta Cambio Rotax DD2
Guarnizione Carter Rotax DD2
Paraolio alta qualità 12x22x5
Fermo Selettore Rotax DD2
Cuscinetto 6206 C4
Paraolio 30x42x7 NBR Rotax DD2
Albero Motore Completo Rotax DD2
Supporto Pompa Benzina Rotax DD2
Chiavetta 3x5 albero Rotax DD2
Gabbia a Rulli spinotto pistone 15x19x20 Rotax
Alberino pompa acqua Rotax DD2
Per pistoni 125cc
Per pistoni 125 (asse 15mm)
Tappo Spurgo Magnetico M12x1,5 Rotax DD2
Rondella Tappo Spurgo Magnetico M12x1,5 Rotax DD2
Vite ventola carter Rotax
Prigioniero M8x57/20 Rotax
Prigioniero M8x28/20 Rotax
Prigioniero forato M8x28/20 Rotax
Coperchio Pompa Acqua Rotax DD2
Or Tenuta Pompa Acqua Rotax DD2
Riduzione motorino avviamento Bendix Rotax
Kit Guarnizioni Completo Rotax DD2
Carter Frizione Nero Rotax DD2
Cavallotto (Piastra Motore) Rotax DD2 WILDKART
