Descrizione
Gabbia testa biella originale Iame per asse da 20mm
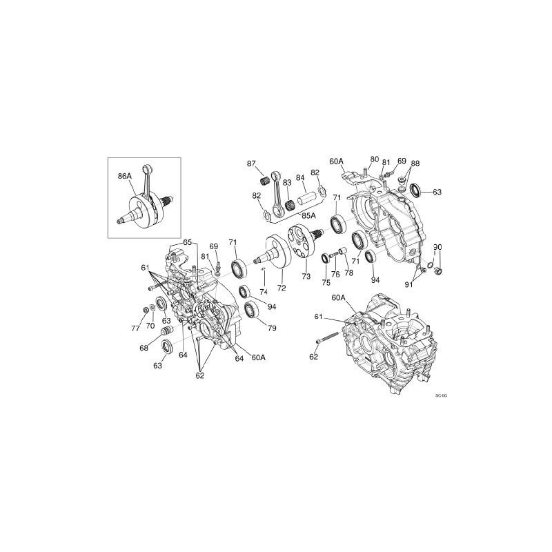
Particolare 80 della seconda immagine allegata (X30 S125 125cc TAG)
Particolare 83 della terza immagine allegata (Screamer 1-2-3-4)
Particolare 83 della quarta immagine allegata (Iame OK e OKJ 125)
Particolare 83 della quinta immagine allegata (Iame Reedster KF KFJ 125 - SuperX30)
Dettagli del prodotto
Commenti
I clienti che hanno acquistato questo prodotto hanno comprato anche:
16 altri prodotti della stessa categoria:
Grande Disponibilità !!
6,76 €
