Descrizione
Rasamento biella bronzo argentato per motori Iame
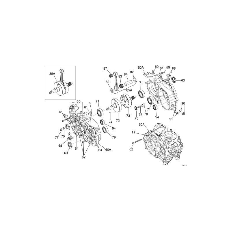
Particolare 79 della seconda immagine allegata (X30 TAG 125cc)
Particolare 82 della terza immagine allegata (Screamer 1-2-3)
Particolare 82 della quarta immagine allegata (Iame OK e OKJ 125)
Particolare 82 della quinta immagine allegata (Iame Reedster KF KFJ 125 - SuperX30)
Dettagli del prodotto
Commenti
I clienti che hanno acquistato questo prodotto hanno comprato anche:
Grande Disponibilità !!
89,99 €
112,49 €
-20%
Grande Disponibilità !!
29,91 €
Grande Disponibilità !!
89,99 €
112,49 €
-20%
Grande Disponibilità !!
29,91 €
